服务热线
0755-84867757
编程器
仿真器
烧录座
SP8/16/20系列通用
SP32系列专用
已停产
如何申请添加新的芯片型号
关于产品技术支持与服务
保修政策与免责条款
如何购买硕飞科技的产品
地址:深圳市龙岗区龙岗路15号
电话:0755-84867757
邮件:sfly#sflytech.com(#改为@)
QQ: 67234068(业务/售前咨询)
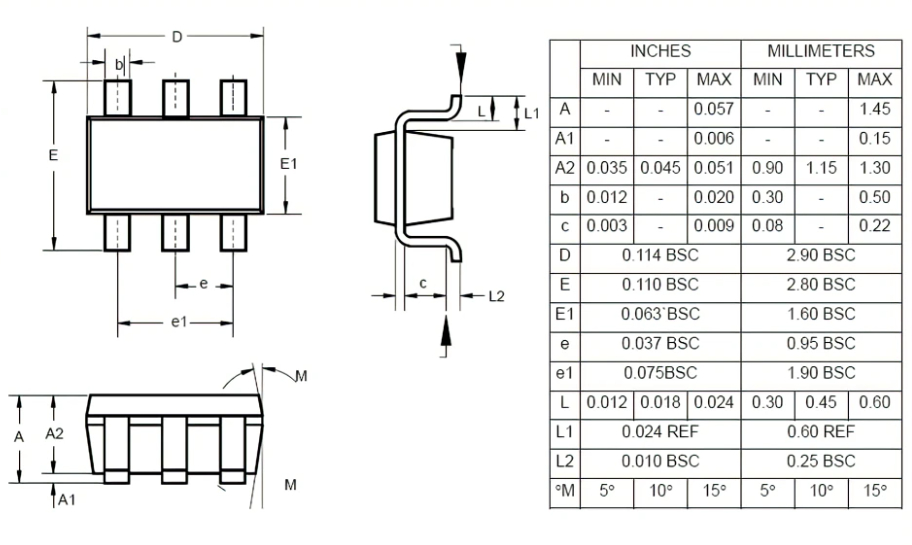
适用封装: SOT23,SOT23-5、SOT23-6,引脚间距0.95mm
烧录座型号:SF-SOT23-6A
产品图片:
适用芯片封装:
在硕飞SP8/SP16/SP20系列编程器上的查放方向:
烧录座均以底边排针对齐锁紧座底边插入,芯片1脚方向对应PIN1标识
SP10系列编程器
SP400 一拖四量产编程器
SP328P高速量产编程器
SP20P编程器
SP20X编程器
SP20F编程器
SP20B编程器
SF-BGA24-B55A烧录座
Copyright 2007-2025 深圳硕飞科技有限公司 版权所有
粤ICP备17105160号-2 粤公网安备 44030702000782号